Kolano stałe typu S60 fi 80 mm do pieców na pellet

Kod produktu - KS080/S60-CZ1,2SP

System przyłączy kominowych do pieców na pelet SPP.
System służy do budowy przyłączy kominowych, wykonanych w całości ze stali czarnej o grubości 1,2 mm w gatunku DC01 wg normy PN-EN1856-2:2009.
Zalecany do odprowadzania spalin z kominków lub urządzeń grzewczych na pellet.
System Przyłączy Kominowych może być zastosowany jako przyłącze do kotłów odprowadzających spaliny, których temperatura może dochodzić do 250 stopni C.
Maksymalna temperatura pracy ciągłej - 250 oC
Materiał wykonania - blacha czarna gat. DC01, gr. 1,2 mm
Zastosowanie
- Odprowadzanie spalin z piecyków na pellet
ZALETY:
- Bardzo prosty i szybki montaż
- Duża szczelność przewodu spalinowego
- Niższa cena niż w przypadku systemów z blachy kwasoodpornej
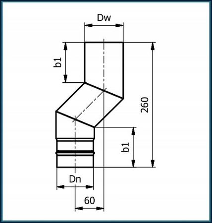
Wymiary kolana stałego typu S60 KS080/S60-CZ1,2SP
- Średnica DN - 80 mm
- Dw - 77,7 mm
- Dn - 76 mm
- b1 - 83 mm
- Waga - 0,7 kg

Połączenie kielichowe systemu SPP.
Poszczególne elementy systemu kominowego łączone są przez włożenie spęczonej części elementu - nypla, w drugą
nieściśniętą część elementu - kielicha. Taki sposób łączenia elementów umożliwia prawidłowy spływ ewentualnych
skroplin po ściankach elementów przyłącza do miski.
Zastosowanie uszczelki z gumy silikonowej, znajdującej się na spęczeniu nypla, zapewnia szczelność systemu przy
nadciśnieniu spalin 200Pa.
Dzięki spęczonemu połączeniu otrzymujemy szczelną i sztywną konstrukcję przyłącza.
Elementy są malowane proszkowo farbą wysokotemperaturową Senotherm w kolorze czarny metaliczny.
Opis rysunku i wymiary systemu SPP:
- Nypel
- Kielich
- Uszczelka silikonowa
Wymiary:
- Dz - średnica zewnętrzna rury [mm]
- Dw - średnica wewnętrzna rury [mm]
- Dk - średnica wewnętrzna kielicha [mm]
DN - 80 mm DN - 100 mm
Dz - 80,1 mm Dz - 100,2 mm
Dw - 77,7 mm Dw - 97,8 mm
Dk - 76,0 mm Dk - 96,0 mm














